| Sign In | Join Free | My spintoband.com | 
 | 
Brand Name : TMTeck
Model Number : B
Place of Origin : China
MOQ : 1
Payment Terms : T/T, Western Union,Paypal
Supply Ability : 50PCS/Two weeks
Delivery Time : 4-6 work days
Packaging Details : Carton, 7kg
Price : Negotiation
Product : Phased Array Test Block Type B
Material : 1018 steel, Aluminum, stainless
standard : ASTME2491-2013
Type : NDT Accessories
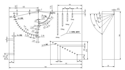
ASTM E2491-2013 Phased Array Test Block Type B
Specifications:
 ASTM E2491-2013
 Calibration Function:
 The Phased Array “Type B” Calibration Block is used as baseline block to determine long-term instrument performance changes, generate DAC curves,
 and evaluate linear/ angular resolution, focusing ability and beam steering capability.

 
  
  
|   | 
| Type B Astm E2491-2013 Phased Array Ultrasonic Calibration Block Images | 
 ASME 19mm Ndt Ultrasonic Test Block /calibration block 1018 Steel block
                                                                                    
                        
                        
                        
                                                            ASME 19mm Ndt Ultrasonic Test Block /calibration block 1018 Steel block
                                                    
                        
                     NDT 4/5/6/7/8/10 Steps Wedge Testing Ultrasonic Test Block
                                                                                    
                        
                        
                        
                                                            NDT 4/5/6/7/8/10 Steps Wedge Testing Ultrasonic Test Block
                                                    
                        
                     Hardness Testing Ndt Step Wedge V1 Calibration Block
                                                                                    
                        
                        
                        
                                                            Hardness Testing Ndt Step Wedge V1 Calibration Block
                                                    
                        
                     Probe Index Beam Angle Ndt Iiw Type 2 Calibration Block
                                                                                    
                        
                        
                        
                                                            Probe Index Beam Angle Ndt Iiw Type 2 Calibration Block
                                                    
                        
                     Ndt Accessories Hardness Ultrasonic Calibration Block
                                                                                    
                        
                        
                        
                                                            Ndt Accessories Hardness Ultrasonic Calibration Block
                                                    
                        
                     Astm E164-2013 Distance Depth Gauge Calibration Block
                                                                                    
                        
                        
                        
                                                            Astm E164-2013 Distance Depth Gauge Calibration Block
                                                    
                        
                     Sound Path Angle SC Sensitivity Step Wedge Calibration Block
                                                                                    
                        
                        
                        
                                                            Sound Path Angle SC Sensitivity Step Wedge Calibration Block
                                                    
                        
                     Linearity E317 Astm Ultrasonic Calibration Block
                                                                                    
                        
                        
                        
                                                            Linearity E317 Astm Ultrasonic Calibration Block
                                                    
                        
                     Area Amplitude Astm Calibration Ndt Accessories
                                                                                    
                        
                        
                        
                                                            Area Amplitude Astm Calibration Ndt Accessories
                                                    
                        
                     Stainless Aluminum Astm Distance Amplitude Blocks
                                                                                    
                        
                        
                        
                                                            Stainless Aluminum Astm Distance Amplitude Blocks